DVB and IPTV Receiver (IRD) with 4 Tuners | IRD-4000
BLANKOM
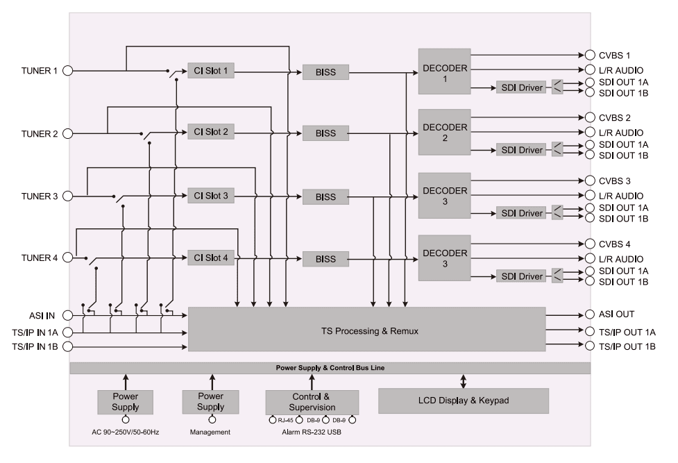
BLANKOM IRD-4000 is a professional IRD for broadcasters with four DVB-S/S2/S2X tuners (DVB-T/T2, DVB-C, ISDB-T, ATSC, DTMB optional), GigE IP, and ASI inputs.
It has 4 CAM slots and an embedded BISS decryption utility. HD/SD-SDI and CVBS outputs are supported.
The BLANKOM IRD-4000 is a well-designed 4-tuner integrated receiver decoder.
Depending on the selected tuner option, its four frontends support DVB-S/S2/S2x (DVB-C, DVB-T/T2, ISDB-T, ATSC, DTMB optional) and additionally ASI and IP Input sources.
After de-multiplexing and decryption with a maximum of 4 CI modules, the decoded content can be passed to digital interfaces ASI, IP.
Its various A/V outputs support HD/SD-SDI, CVBS, stereo audio for universal professional needs.
With the 4 independent CAM/CI slots, the IRD-4000 supports multiple channel (tuner, ASI or IP) descrambling and transparent signal output.
BISS-embedded decryption supported.
Operation by using the front panel LCD or the built-in comfortable web interface.
| Inputs | 4x DVB Tuner (DVB-S/S2/S2X or DVB-T/T2/C or ISDB-T or ATSC or DTMB), 4x ASI, GbE IP |
|---|---|
| Video Outputs | HD/SD-SDI, 4x ASI, CVBS |
| Key features | Multi-channel professional IRD for reception, descrambling, remultiplexing, and decoding Quad DVB-CI interfaces enabling decryption of multiple services across up to 4 transport streams Broadcast-quality decoding for: MPEG-2 MPEG-4 AVC/H.264 SD and HD video formats Comprehensive output interfaces: 4 × independent CVBS video outputs Analog audio outputs SD-SDI and HD-SDI digital outputs HD down-conversion for generation of SD baseband outputs Aspect-ratio adaptation for optimized analog and digital baseband delivery TS over IP support for flexible integration into existing cable or broadcast networks All-in-one architecture simplifying deployment in distribution and contribution environments |
| Ordering guide | IRD-4000 with 4x DVB-S/S2/S2X tuner |
4 Tuner IPTV & DVB IRD with CI slots
BLANKOM IRD-4000 is a 4-tuner IRD (Integrated Receiver & Decoder) for satellite-tv, terrestrial-tv or cable-tv (DVB-S/S2/S2X, DVB-T/T2, DVB-C, ISDB-T, ATSC, DTMB) and IPTV. After de-multiplexing and de-encryption with CAM modules, it gives content out through ASI, IP and as decoded service through HD/SD-SDI, CVBS outputs.

Input & Reception
- Quad-tuner input supporting DVB-T2/S2/S/C/T, DTMB, ATSC, ISDB-T, DS3/E3
- Supports DVB-S2 Input Stream Identifier (ISI) (optional)
- DVB-T SFN MIP pass-through capability
- 2 × IP streaming inputs (full duplex mode)
Decoding & Processing
- SD/HD MPEG-2 and MPEG-4 AVC/H.264 digital video decoding
- Two audio PIDs per SDI output for decode or compressed pass-through
- Built-in dual transport-stream remultiplexers:
- Mux 1: Tuner 1/2 + CI 1/2
- Mux 2: Tuner 3/4 + CI 3/4
- Supports:
- 2× IP streaming in / 2× IP out (full duplex)
- 128-channel IP output (IPTV mode)
- 11-channel IP output (DVB mode)
Conditional Access & Security
- 4 × DVB-CI slots with multi-program descrambling
- BISS-1 and BISS-E decryption support
- Dynamic PMT detection with automatic updates
Subtitles & Ancillary Data
- Support for VBI Teletext, EBU/DVB Subtitle, Closed Caption
- Teletext, WSS, and Closed Caption embedded into SDI output
Control & Monitoring
- Remote management via SNMP, HTTP Web UI, and HDMS proprietary software
- Monitoring of RSSI, Eb/No, and BER
Audio Handling
- PCM audio embedded in SDI and HDMI outputs
- AC-3 and Dolby-E pass-through via SDI
Additional Features
- Firmware upgrade via IP or USB
- Redundant power supply for high-availability operation



| Tuner Input | |
| DVB-S/S2X Tuner Input (ISI 16APSK/32APSK/64APSK S2X) | |
| Connector Type | 4×F-type female 75Ω for Input |
| Input Frequency Range | 950 ~ 2150MHz |
| Input Level | -25 ~ -65dBm |
|
Symbol Rate | DVB-S2X/S2 QPSK 8PSK: 1 ~ 60MBaud |
| DVB-S2X/S2 QPSK 16APSK: 1 ~ 58MBaud | |
| DVB-S2X/S2 QPSK 32APSK: 1 ~ 55MBaud | |
| DVB-S2X/S2 QPSK 64APSK: 1 ~ 34MBaud | |
|
Roll-off Factor | DVB-S: 0.35 |
| DVB-S2: 0.35, 0.25, 0.2 | |
| DVB-S2X: 0.35, 0.25, 0.2, 0.15, 0.1, 0.05 | |
|
FEC Code Rate | DVB-S QPSK: 1/2, 2/3, 3/4, 5/6, 7/8 |
| DVB-S2 QPSK: 1/2, 3/5, 2/3, 3/4, 4/5, 5/6, 8/9,9/10 | |
| DVB-S2 8PSK: 3/5, 2/3, 3/4, 5/6, 8/9, 9/10 | |
| DVB-S2X: 64800 bits FECFRAME VCM and ACM | |
| LNB Polarity Selection Voltage | 0, 13V, 18V selectable |
| LNB Band Selection Tone | 0/22KHz selectable |
| Satellite Selection Command | DiSEqC 2.0 |
| PLS | 0 ~ 262141 user configurable |
| ISI ID | 1 ~ 255 user configurable |
| DVB-C Tuner Input | |
| Connector Type | 4×F type female 75Ω for Input, |
| Input Frequency Range | 51 ~ 862MHz |
| Input Level | 51 ~ 75dBμV |
| Symbol Rate | 1 ~ 7MBaud (ITU J.83 Annex A) |
| Constellation | 16 QAM, 32 QAM, 64 QAM, 128 QAM, 256 QAM |
| Bandwidth | 6 MHz, 7 MHz, 8 MHz |
| Input Return Loss | 7dB (typ.) |
| DVB-T/T2 Tuner Input | |
| Connector Type | 4×F type female 75Ω for Input |
| Input Frequency | 104 ~ 862 MHz (VHF/UHF) |
| Input Level | -20 ~ -70dBm |
| Constellation | DVB-T: QPSK, 16QAM, 64QAM |
| DVB-T2: QPSK, 16QAM, 64QAM, 256QAM | |
| Bandwidth | 6 MHz, 7 MHz, 8 MHz |
| FFT Mode | DVB-T: 2K, 8K |
| DVB-T2: 1K, 2K, 4K, 8K, 16K, 32K | |
| Guarding Interval | DVB-T: 1/4, 1/8, 1/16, 1/32 |
| DVB-T2: 1/4, 5/32, 1/8, 5/64, 1/16, 1/32, 1/64, 1/128 | |
| FEC Code Rate | DVB-T: 1/2, 2/3, 3/4, 5/6, 7/8 |
| DVB-T2: 1/2, 3/5, 2/3, 3/4, 4/5, 5/6 | |
| Input Return Loss | 7dB (typ.) |
| DTMB Tuner Input | |
| Connector Type | 4×F-type female 75Ω for Input, 1×F-type |
| female 75Ω for loop through output | |
| Input Frequency Range | 46.5~866MHz |
| Input Level | -87~-29dBm |
| Symbol Rate | 7.56MBaud |
| Bandwidth | 6MHz/7MHz/8MHz |
| Constellation | 4 QAM-NR, 4 QAM, 16 QAM, 32 QAM, 64 QAM |
| Guard Interval | PN420, PN595, PN945 |
| Roll-off Factor | 0.05 |
| Interleaving Depth | 240,720 |
| FEC Code Rate | 0.4, 0.6, 0.8 |
| TS Processing | |
| TS Processing | 1 Independent TS Re-multiplexer: |
| TS Input Management | Demux and Remux among Tuner, CI, ASI and IP Inputs |
| TS Output Management | Demux and Remux for ASI or IP outputs |
| Service and PID Management | Remux, filtering and remapping |
| BISS Mode | BISS-1, BISS-E |
| Common Interface | 2×2 PCMCIA slots, compatible with major CA CAMs in the market |
| ASI Input | |
| Connector Type | 1* BNC female, 75Ω |
| Standard | DVB-ASI, EN50083-9 |
| Output Bit Rate | ≤ 200 Mb/s |
| ASI Output | |
| Connector Type | 2* BNC female, 75Ω |
| Standard | DVB-ASI, EN50083-9 |
| Output Bit Rate | ≤ 200 Mb/s |
| Digital Video Processing | |
|
Video Standard | MPEG-2 (MP@ ML for SD, MP@HL for HD) |
| MPEG 4/H.264 AVC Part 10 (MP@L3 for SD, HP@L4.1 for HD) | |
| H.265 Main Profile@L5.0 High-tier | |
| AVS Jizhun Profile @ level 6.0 and AVS-P16 | |
| SDI Video Resolution | 1080i×60,1080i×30, 1080i×29.97, 1080i×25, 720p×60, 720p×59.94, 720p×50, 576i×25, 480i×29.97 |
| Video PID Bit Rate | ≤ 60 Mb/s |
| HD/SD-SDI | |
| Connector Type | 4 SDI outputs, BNC, female, 75Ω |
| SD Standard | SMPTE 259M, 270 Mb/s (10 bit) |
| HD Standard | SMPTE 292M, 1.485 Gbit/s (10 bit) |
| Level | 800 mV p-p |
| Embedded Audios | MPEG-1 Layer 2 |
| Dolby Digital (AC3) Pass-through | |
| Dolby Digital Plus (AC3+) Pass-through | |
| MPEG-2 AAC | |
| MPEG-4 HE-AAC v1/v2 | |
| Analog Video Output | |
| CVBS Connector | DB15 * 2 |
| CVBS Standard | NTSC, PAL, and SECAM |
| CVBS Resolution | 576i×25, 480i×29.97 |
| Nominal Output Level | 1.0 Vp-p±5% (with standard test stream) |
| Frequency Response | <±1 dB, at 5.5 MHz for PAL/SECAM, 4.2 MHz for NTSC |
| Chroma-Luma Delay | <±30 ns |
| Field Time Distortion | <2% |
| Line Time Distortion | <1% |
| Short Time Distortion | <2% |
| Differential Gain | <3% |
| Differential Phase | <2° |
| Signal to Noise Ratio | >55dB (luminance weighted) |
| Analog Audio Output | |
| Connector Type | DB15*2 |
| Output Impedance | 600Ω (balanced) |
| Output Mode | Left, Right, Dual Mono, Stereo |
| Number of Output | 1 pair of stereo audio outputs |
| Cross Talk Among Channels | >70dB |
| THD | <0.3% @ 400 Hz, 1 kHz test tone |
| Frequency Response | ±0.5dB over 20Hz ~ 18KHz |
| Output Level | 0dBm in 600Ω (0dBu), adjustable range ±10dB |
| TS over IP | |
| Connector Type | 2×RJ-45, 100/1000 Base-T |
| Effective Bit Rate | Max. 400Mb/s for 64x channels, MPTS/SPTS IP out/IP in, |
| Protocol | UDP/RTP, Multicast/Unicast, IGMPv3, ARP |
| Control & Monitoring | |
| Connector Type | 1×RJ-45, 10/100 Base-T, for equipment IP Control |
| Remote Control | SNMP, HTTP (Web Interface), Proprietary HDMS (Headend Device Management System) |
| Local Control | LCD display and 6-key keypad |
| Serial Port | 1×RS-232 D-sub female, for debug use only |
| Equipment Upgrade | Embedded FTP loader, WEB HTTP and USB |
| Physical | |
| Dimension | 505mm×445mm×45mm |
| Weight | 3.5kg |
| Power Supply | AC 90V ~ 250V, 50/60Hz |
| Power Consumption | 24W (exclusive of LNB power) |
| Operating temperature | 0 ~ 45℃ |
| Storage temperature | -10 ~ 60℃ |
| Operating Humidity | 10 ~ 90%, non-condensed |
| Certification | |
| EMC: EN 55024:1998+A1:2001+A2:2003, EN 55022:2006+A1:2007, EN 61000-3-2:2006, EN 61000-3-3:2008 | |
| FCC: Part 15 Class B | |
| LVD: EN 60950-1:2006 + A11:2009 | |
Specifications are subject to change without prior notice.
Products that complement or substitute this item:






